Aschenez, die italienische Werft, unter deren Dach die Luxus-Bootsmarken Invictus und Capoforte beheimatet sind, präsentiert zur boot Düsseldorf 2023 das erste vollelektrische Boot.
Angetrieben wird die Capoforte von dem ebenfalls neuen 50 kW Elektromotor-System ISCAD V50 von Molabo. Dieses soll laut Hersteller “für ein schnelles sportliches Gleiten des komfortablen Freizeitbootes” sorgen. In einer Mitteilung heißt es weiter: “Mit einer 48 kWh (8 x 6 kWh Module) Lithium-Ionen-Batteriebank - MLI Ultra 24/6000 von Mastervolt wird dabei eine Reichweite von 4 Stunden bei einer Cruising-Geschwindigkeit vom 6,5 Knoten erreicht.” Die Ladezeit der 48 kWh-Batteriebank soll ca. 3,2 Stunden betragen.
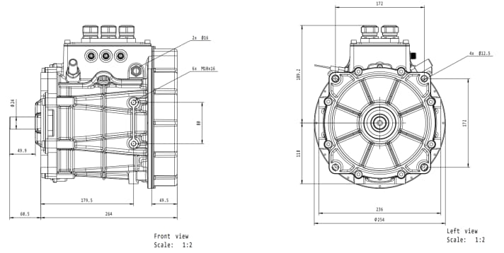
Der 50 kW-Antrieb von Molabo ist laut Hersteller der weltweit leistungsstärkste Elektromotor bei berührsicheren Spannungen. “Der Intelligent Stator Cage Drive - ISCAD - kann somit ohne Hochvolt-Sicherheitsmaßnahmen einfach und schnell installiert werden”, heißt es.
Motor und Controller bilden bei dem System eine Einheit. Das sorgt für kompakte Größe und einen leichten Einbau mit nur wenig Aufwand für die Verkabelung. “Die effizienten Niederspannungskomponenten nutzen die Energie der Batterie optimal aus und erreichen einen gemessenen Systemwirkungsgrad von über 95% im optimalen Betriebspunkt. Der Systemwirkungsgrad beschreibt dabei die kombinierte Effizienz aus Motor (97%) und Controller (98%)”, teilt der Hersteller mit.
Weitere Informationen unter molabo.com und capoforteboats.com